Produtos
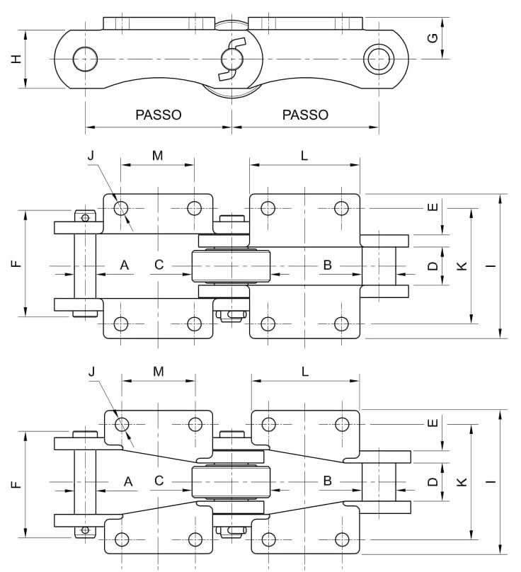
Corrente para Esteira Metálica
Este modelo de corrente poderá ser fornecido com:
• Travamento do pino com arruela soldada
• Anel de retenção (mod. PL-800K2, PL-800EK2)
• Rolos com diâmetro de 76,2 mm ou 81 mm (exceto PL-800K2, PL-800EK2)
• Laterais retas ou off-set
• Pinos e buchas em aço inox e laterais com tratamento anticorrosivo
Mais Produtos
Rua Tambaú, 144
Parque São Jorge
CEP: 13413-013
Piracicaba-SP, Brasil

















